"Odkopałem" po 2 latach silnik i ze względu na to, że ma dosyć precyzyjnie zamocowane
"futerko" wiertarki, postanowiłem na razie silniczek obudować sklejką 8 mm.
Wcześniej zrobiłem próby...
Zamocowałem wiertło 0,8 mm i .... szok... nie ma widocznego "bicia".
Skoro to jest dość precyzyjne, ciężkie, ciche i o sporej mocy....
Wymieniłem kondensator rozruchowy na "Tesla" (4 razy mniejszy gabarytowo)
Zrobiłem tekturowy szablon. Potem się zobaczy.
Obuduję go sklejką 8 mm i zamocuję
uchwyty do przenoszenia i do mocowania.
Ma niezłą moc i może posłużyć jako napęd do paru
"przydasiek", które opisał Kagra (Kaziu)
Albo... Może znowu go wrzucę gdzieś na dwa lata...
Silnik
- RomekS
- Posty: 3211
- Rejestracja: 04 gru 2010, 21:55
- Lokalizacja: {"name":"Polska Toru\u0144","desc":"","lat":"","lng":""}
- RomekS
- Posty: 3211
- Rejestracja: 04 gru 2010, 21:55
- Lokalizacja: {"name":"Polska Toru\u0144","desc":"","lat":"","lng":""}
Re: Silnik
Obudowałem ten silnik. Jakiś sentyment do "Sdiełano w CCCP".
To się rzadko psuje. Wykorzystałem też filtr i gniazdo ze starego zasilacza PC.
Parę fotek. Mam już pierwszą przystawkę, ścierarkę bębnową.
Trzeba tylko dorobić koło pasowe o odpowiedniej (dużej) średnicy i dobrać
"jakiś" pasek klinowy.
To się rzadko psuje. Wykorzystałem też filtr i gniazdo ze starego zasilacza PC.
Parę fotek. Mam już pierwszą przystawkę, ścierarkę bębnową.
Trzeba tylko dorobić koło pasowe o odpowiedniej (dużej) średnicy i dobrać
"jakiś" pasek klinowy.
- koziobrody
- Posty: 20
- Rejestracja: 13 lut 2013, 22:37
Re: Silnik
Witam.Jestem zauroczony Waszymi maszynkami.W temacie silnikowym mam pytanie.Czy na wałku silnika już był gwint pod futerko czy też go nacinaliście.Mam w piwnicy nieużywaną "Franię" i napęd do maszynerii już by był.Pozdrawiam
- kagra
- Posty: 1095
- Rejestracja: 04 gru 2010, 21:56
Re: Silnik
To zależy co chcesz napędzać.Jeśli jakieś przystawki do silnika to wystarczy to co jest.Kółko pasowe i pasek klinowy.Jeśli chcesz mieć bezpośredni napęd na futerko to natnij gwint tak jak to zrobił Romek.Powodzenia.Kazimierz.
- koziobrody
- Posty: 20
- Rejestracja: 13 lut 2013, 22:37
Re: Silnik
Ze zapartym tchem "obglądnąłem" temat -maszynki modelarski-i zostanę chyba przy kółku.Nie wiem tylko jak ja się zmieszczę na parapecie.Do tego jeszcze spory "kalosz" z DeA.Jak to przeżyje moja połowa?Pozdrawiam
-
bar0sh
- Posty: 3
- Rejestracja: 24 lut 2012, 22:47
Re: Silnik
Witam
Wpadł mi w rece taki oto silniczek C.E.SET. MCA 30/64 - 148/ALA1. Silnik pochodzi z jakiejs pralki, chciałbym go uruchomic ale niezbyt wiem jak go podlaczyc, w szukaczce żadnego specjalnego schemaciku podłączenia nie znalazłem wiec może ktoś z Was by wiedział jak to "ustrojstwo" podłączyc
Wpadł mi w rece taki oto silniczek C.E.SET. MCA 30/64 - 148/ALA1. Silnik pochodzi z jakiejs pralki, chciałbym go uruchomic ale niezbyt wiem jak go podlaczyc, w szukaczce żadnego specjalnego schemaciku podłączenia nie znalazłem wiec może ktoś z Was by wiedział jak to "ustrojstwo" podłączyc
- RomekS
- Posty: 3211
- Rejestracja: 04 gru 2010, 21:55
- Lokalizacja: {"name":"Polska Toru\u0144","desc":"","lat":"","lng":""}
Re: Silnik
Jest to wysokoobrotowy komutatorowy silnik z tachometrem.
Raczej przydatność "prawie zerowa".
Aby zdjąć kółeczko pasowe albo wymienić łożysko,
trzeba mieć prasę 2 do 3 Ton.
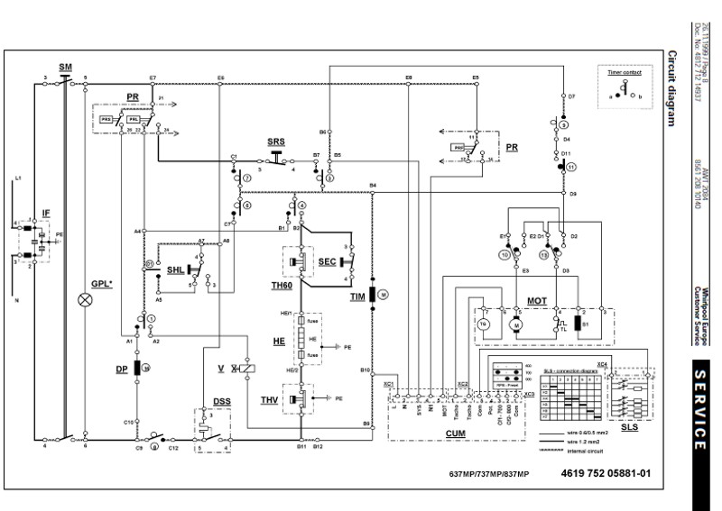
Na stronie 8 masz schemat. Niestety pdf nie są obsługiwane.
Masz w jpg. Ale szkoda zachodu na taki sil.nik
Raczej przydatność "prawie zerowa".
Aby zdjąć kółeczko pasowe albo wymienić łożysko,
trzeba mieć prasę 2 do 3 Ton.
Na stronie 8 masz schemat. Niestety pdf nie są obsługiwane.
Masz w jpg. Ale szkoda zachodu na taki sil.nik
-
bar0sh
- Posty: 3
- Rejestracja: 24 lut 2012, 22:47
Re: Silnik
No szkoda że przydatnośc prawie zerowa, a już sie cieszylem ze cos z tego bedzie
- koziobrody
- Posty: 20
- Rejestracja: 13 lut 2013, 22:37
Re: Silnik
Witam.Dostałem silnik od pralki Whirpool typ AWT 2240/2250 i mam problem.Silnik ma na wyjściu 5 kolorowych kabelków wchodzących w kostkę łącznikową prawdopodobnie z programatorem.Kolory to niebieski,żółty,czerwony,brązowy i biały z czerwonym paskiem.Szukałem nawet na forum instrukcji serwisowych ale nic nie ma na temat podłączenia silnika.Prosiłbym o możliwą podpowiedź jak go podłączyć , aby zaczął chodzić.Pozdrawiam.
- PufcioFromWiocha
- Posty: 66
- Rejestracja: 04 gru 2010, 21:56
Re: Silnik
Witam,
spróbuj wg tego:
http://www.elektroinstalacje.info/artic ... ticle_id=8
Elektrykiem nie jestem ale zadziałało
Pozdrawiam
Paweł
spróbuj wg tego:
http://www.elektroinstalacje.info/artic ... ticle_id=8
Elektrykiem nie jestem ale zadziałało
Pozdrawiam
Paweł
https://pawelskrzypek.pl/