Może ktoś z Szanownego Koleżeństwa coś wie.
Grzesiu, jakbyś przeglądał Forum to daj znać.
Przepraszam, że trochę nie na temat, ale
dotyczy to jednak jachtu w skali 1:1.
Joystick na rysunku to Vetus. Nigdzie nie mogę znaleźć
co poszczególne kolory przewodów oznaczają.
Ster strumieniowy
- RomekS
- Posty: 3211
- Rejestracja: 04 gru 2010, 21:55
- Lokalizacja: {"name":"Polska Toru\u0144","desc":"","lat":"","lng":""}
- byku
- Posty: 17
- Rejestracja: 01 kwie 2012, 13:25
Re: Ster strumieniowy
Witam,
Z tego co znalazłem w sieci (m.in. na stronie producenta) i z tego co mi podpowiedział kolega (zaprzyjaźniony szkutnik) to będzie wyglądało tak:
1- Yellow
2- Black
3- Blue lub White
4- Brown
5- Red
6- White lub Blue
Zaznaczam jednak że kolory przewodów, niebieski i biały (lewo, prawo) na panelu sterującym, mogą mieć odwrotne funkcje od tych zastosowanych na sterze, czyli niebieski - prawo, biały - lewo. W różnych modelach producenta, różnie było to montowane. Jeżeli chodzi o sprawdzenie poprawności podłączenia tych przewodów (tzn. czy lewo, na pewno będzie lewo) sam producent dopuszcza metodę że tak się wyrażę "prób i błędów". Jeżeli po podłączeniu okaże się że kierunki zostały pomylone, podłączamy przewody odwrotnie tak, aby ster skręcał w odpowiednią stronę. Oczywiście nie robimy tego na sucho, no chyba że mamy kilka takich sterów i stać nas żeby kilka sztuk poświęcić
Pozdrawiam
Bartek
Z tego co znalazłem w sieci (m.in. na stronie producenta) i z tego co mi podpowiedział kolega (zaprzyjaźniony szkutnik) to będzie wyglądało tak:
1- Yellow
2- Black
3- Blue lub White
4- Brown
5- Red
6- White lub Blue
Zaznaczam jednak że kolory przewodów, niebieski i biały (lewo, prawo) na panelu sterującym, mogą mieć odwrotne funkcje od tych zastosowanych na sterze, czyli niebieski - prawo, biały - lewo. W różnych modelach producenta, różnie było to montowane. Jeżeli chodzi o sprawdzenie poprawności podłączenia tych przewodów (tzn. czy lewo, na pewno będzie lewo) sam producent dopuszcza metodę że tak się wyrażę "prób i błędów". Jeżeli po podłączeniu okaże się że kierunki zostały pomylone, podłączamy przewody odwrotnie tak, aby ster skręcał w odpowiednią stronę. Oczywiście nie robimy tego na sucho, no chyba że mamy kilka takich sterów i stać nas żeby kilka sztuk poświęcić

Pozdrawiam
Bartek
Pozdrawiam
Bartek B.
Bartek B.
- RomekS
- Posty: 3211
- Rejestracja: 04 gru 2010, 21:55
- Lokalizacja: {"name":"Polska Toru\u0144","desc":"","lat":"","lng":""}
Re: Ster strumieniowy
byku pisze:Witam,
Z tego co znalazłem w sieci (m.in. na stronie producenta) i z tego co mi podpowiedział kolega (zaprzyjaźniony szkutnik) to będzie wyglądało tak:
1- Yellow
2- Black
3- Blue lub White
4- Brown
5- Red
6- White lub Blue
Śliczne dzięki.
Bartek jeszcze prośba (opis nie koresponduje ze schemacikiem
z poprzedniego postu (po prawej u góry) "mojego" joysticka).
Aby uściślić dopisz proszę:
1- Yellow ( kontrolka czy włączenie ? )
2- Black ( masa ? )
3- Blue lub White ( lewo - prawo )
4- Brown ( włączenie czy kontrolka ? )
5- Red ( +12V ? )
6- White lub Blue ( prawo - lewo )
Do schematu sobie już dowiążę.
Mam też prośbę o adres strony (źle szukałem)
Pozdrawiam Mikołajkowo.
Poniżej moje "wypociny" opóźniacza przypadkowego włączenia "lewo-prawo".
Przy sterowaniu w dowolnym kierunku, przełączenie na inny kierunek może
odbyć się po upływie ok 2 do 3 sek. Ster strumieniowy to silnik o mocy
4 KW zasilany napięciem 12 V (prawie 400 Amperów). Dlatego nie można nim
"machać" w lewo w prawo, owy układ zabezpiecza przed takim "machnięciem"...
Tzn. przy wychyleniu w np. lewo silnik zadziała ale ... w prawo silnik zadziała dopiero po 2 sek.
Czyli najpierw się zatrzyma.... Nie wiem czy zrozumiale "deliberuję"...
Układ już sprawdzony, działa bezproblemowo, potrzeba tylko "te kolory" przyporządkować.
- Załączniki
-
- Opozniacz.jpg (34.48 KiB) Przejrzano 7266 razy
- RomekS
- Posty: 3211
- Rejestracja: 04 gru 2010, 21:55
- Lokalizacja: {"name":"Polska Toru\u0144","desc":"","lat":"","lng":""}
- muli9
- Posty: 230
- Rejestracja: 17 lut 2012, 08:47
- Lokalizacja: {"name":"Polska Rzesz\u00f3w","desc":"","lat":"","lng":""}
- Kontakt:
Re: Ster strumieniowy
Zapytaj na forum elektroda.pl - to kopalnia wiedzy do takich rzeczy
- RomekS
- Posty: 3211
- Rejestracja: 04 gru 2010, 21:55
- Lokalizacja: {"name":"Polska Toru\u0144","desc":"","lat":"","lng":""}
Re: Ster strumieniowy
Jak nie masz nic do powiedzenia to raczej się nie ...w....
Co to mi pomoże, ta Twoja wypowiedź.
No sam się zastanów. Myślisz, że nie znam Tego Forum.
Dzwoniłem też do Vetusa ale mi nie pomogli.
Dlatego pytam, a że dotyczy to łodzi, więc...
Proszę o pomoc. Ot i "wsjio".
Co to mi pomoże, ta Twoja wypowiedź.
No sam się zastanów. Myślisz, że nie znam Tego Forum.
Dzwoniłem też do Vetusa ale mi nie pomogli.
Dlatego pytam, a że dotyczy to łodzi, więc...
Proszę o pomoc. Ot i "wsjio".
- byku
- Posty: 17
- Rejestracja: 01 kwie 2012, 13:25
Re: Ster strumieniowy
Witam,
Już uzupełniam moją wcześniejszą wypowiedź. I Wprowadzam małe poprawki wcześniej wkradł się mały błąd, po części przez moje roztrzepanie po części przez godzinę, o której post był pisany. Najmocniej przepraszam za kłopot. Teraz jest już wszystko dobrze rozpisane. Na 100%
1 - Yellow (kontrolka)
2 - Black (włączenie)
3 - Blue lub White (lewo - prawo)
4 - Red (+12V)
5 - White lub Blue (prawo - lewo)
6 - Brown (masa)
A to jest link do strony producenta:
http://www.vetusweb.com/manuals_53.php
Z góry przepraszam, ale nie zapisałem sobie w której instrukcji znalazłem to co nas interesuje, ale z drugiej strony jakoś specjalnie dużo czasu mi to nie zajęło. Generalnie trochę tego jest i trzeba poszperać, ale myślę że i tak ułatwiłem zadanie, a przynajmniej taką mam nadzieję.
Pozdrawiam,
Bartek
Już uzupełniam moją wcześniejszą wypowiedź. I Wprowadzam małe poprawki wcześniej wkradł się mały błąd, po części przez moje roztrzepanie po części przez godzinę, o której post był pisany. Najmocniej przepraszam za kłopot. Teraz jest już wszystko dobrze rozpisane. Na 100%
1 - Yellow (kontrolka)
2 - Black (włączenie)
3 - Blue lub White (lewo - prawo)
4 - Red (+12V)
5 - White lub Blue (prawo - lewo)
6 - Brown (masa)
A to jest link do strony producenta:
http://www.vetusweb.com/manuals_53.php
Z góry przepraszam, ale nie zapisałem sobie w której instrukcji znalazłem to co nas interesuje, ale z drugiej strony jakoś specjalnie dużo czasu mi to nie zajęło. Generalnie trochę tego jest i trzeba poszperać, ale myślę że i tak ułatwiłem zadanie, a przynajmniej taką mam nadzieję.

Pozdrawiam,
Bartek
Pozdrawiam
Bartek B.
Bartek B.
- RomekS
- Posty: 3211
- Rejestracja: 04 gru 2010, 21:55
- Lokalizacja: {"name":"Polska Toru\u0144","desc":"","lat":"","lng":""}
Re: Ster strumieniowy
Śliczne dzięki.
Fotki z montażu i pływania oraz chrztu załączę.
To ta 11 metrowa "łódeczka".
Fotki z montażu i pływania oraz chrztu załączę.
To ta 11 metrowa "łódeczka".
- RomekS
- Posty: 3211
- Rejestracja: 04 gru 2010, 21:55
- Lokalizacja: {"name":"Polska Toru\u0144","desc":"","lat":"","lng":""}
Re: Ster strumieniowy
Niestety to powyżej jest na 100% niepoprawne.byku pisze:Teraz jest już wszystko dobrze rozpisane. Na 100%
1 - Yellow (kontrolka)
2 - Black (włączenie)
3 - Blue lub White (lewo - prawo)
4 - Red (+12V)
5 - White lub Blue (prawo - lewo)
6 - Brown (masa)
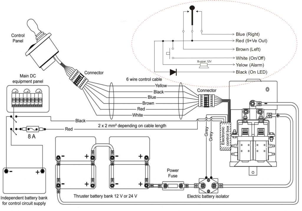
W dniu dzisiejszym "rozszyfrowałem" ster strumieniowy i zrobiłem próby praktyczne Joysticka.
Opóźniacz czasowy jest zbędny bo występuje w układzie kontroli sterowania.
Reszta jak na schemacie. Sprawdzone praktycznie. Są jeszcze efekty dźwiękowe w czasie włączania (pojedynczy sygnał) oraz wyłączenia (podwójny). Po 30 min bezczynności układ sam się wyłącza.
Włączenie to przytrzymanie przycisku On i wychylenie na jedną sek. joysticka w prawo.
Zapali się dioda LED i można sterować stycznikami Lewo-Prawo.
Wyłączenie identycznie.
(gaśnie wtedy dioda LED)
Opisuję bo spędziłem sporo czasu najpierw żeby znaleźć a potem aby to przetestować i nie "spalić" układu kontroli sterowania.
A może komuś kiedyś się przyda. Schemat joysticka zakreślony na schemacie.
To (sprawdzone praktycznie) jest ABSOLUTNIE poprawne.
Red (12+Ve Out)
Brown (Left)
Blue (Right)
White (On/Off)
Yelow (Alarm)
Black (On LED)
PS. W obwodzie diody powinien być jeszcze włączony w szereg rezystor ok 1KOhma.